Produkter

Vtz -12 kf snabb vakuumbrytare
2. Klassad frekvens: 50/60Hz
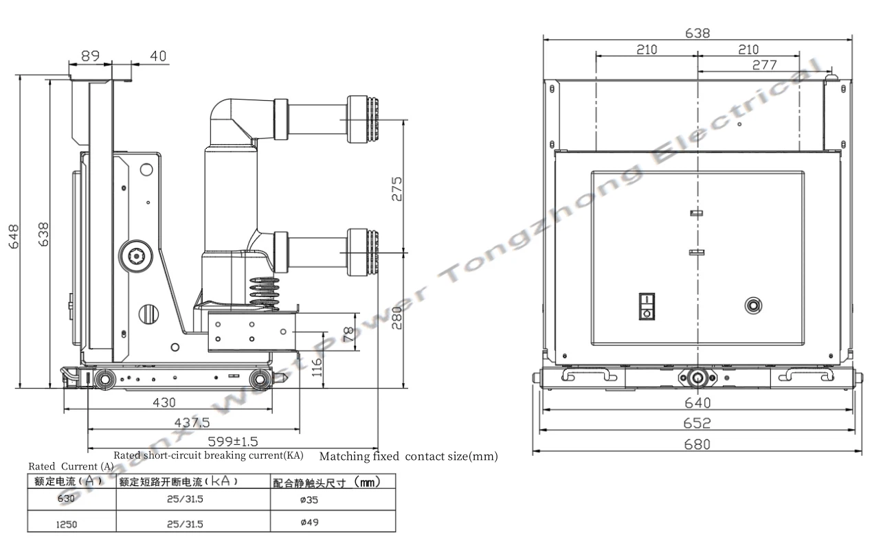
3. Klassad ström: 630/1250A
4. Nominell kortslutning BREAKING Current: 25/31.5ka
5. nominell-kort-kretsning gör aktuell (topp): 63/80ka
6. Installationsmetod: mittmonterad vagn eller anläggningskåp
7. Tillämpliga skåp: Kyn 28-12 Serie Switch Cabinet, XGN Fixed Cabinet, HxGN Series Ring Network Cabinet
8. Produkter uppfyller standarder: GB/T1984, GB/T11022;
VTZ-12KF Fast Vacuum Circuit Breaker (Tongzhong Electric special model) is an indoor switchgear for rated voltage 12kV, AC 50/60Hz. It adopts modular operating mechanism and is suitable for various industrial and mining enterprises and power grid equipment. The trolley unit is used in conjunction with the Kyn28a -12 Switch Cabinet . Det kan också användas som en fast enhet och utrustad med motsvarande mekanisk låsning för XGN2 och andra anläggningskåp .}
Produktsspecifikationer
Specifikationsark
|
Nej . |
Namn |
Enhet |
Data |
|
1 |
Betygsspänning |
kv |
12 |
|
2 |
Nominell frekvens |
HZ |
50/60 |
|
3 |
Nominell ström |
A |
630/1250 |
|
4 |
Nominell kraftfrekvens tål spänning |
kv |
48 (över kontaktgap) /42 (till mark) |
|
5 |
Nominell blixtimpuls tål spänning |
kv |
75 |
|
6 |
Klassad kortslutning Breaking Current |
ka |
25/31.5 |
|
7 |
Nominell kort-krets som gör aktuell (topp) |
ka |
63/80 |
|
8 |
Klassad tål ström (Peak) |
ka |
63/80 |
|
9 |
Betygsvärdet för kortslutning |
s |
4 |
|
10 |
Driftscykler vid nominell kortslutning som bryter strömmen |
Gånger
|
E2 |
|
11 |
Mekanisk uthållighet |
Gånger
|
10000 |
|
12 |
Driftssekvens |
- |
O -0.3 s-co -180 s-co |
|
13 |
Alla 0 Wable som bär tjocklek av kontakter |
mm |
Mindre än eller lika med 3 |
MekaniskCharakteristik
|
Nej . |
Namn |
Enhet |
Data |
|
1 |
Godkännande mellan öppna kontakter |
mm |
9±1 |
|
2 |
Överflyttning |
mm |
3.5±0.5 |
|
3 |
Genomsnittlig stängningshastighet |
m/s |
0.7±0.2 |
|
4 |
Genomsnittlig öppningshastighet (medelhastighet vid 6 mm från den första öppningen) |
m/s |
1.4±0.2 |
|
5 |
Betygsatt tillagd extern kontakt Final Force |
N |
2500 ± 200n (25KA) 3100 ± 200n (31,5KA) |
|
6 |
Få tid |
MS |
15-35 |
|
7 |
Brytningstid |
MS |
Mindre än eller lika med 10 |
|
8 |
Kontakta studsningens varaktighet vid stängningsoperationen |
MS |
Mindre än eller lika med 2 |
|
9 |
Stängning/öppning no-simultanity för 3- Faskontakter |
MS |
Mindre än eller lika med 2 |
Produktfördelar
Vtz -12 kf snabb vakuumbrytare har många fördelar:
Prestanda för brytare:
E2-C2-M2
Enkel och pålitlig struktur:
permanent magnetmekanism, tre-fas oberoende design;
Hög konduktivitet:
Rimlig ledande kretsdesign, uppfyller temperaturökningsnivån på 1,1 gånger den nominella strömmen;
Hög anpassningsförmåga:
Denna produkt överensstämmer helt med skåpomkopplarens storlek på den konventionella Kyn 28-12 -serien och kräver inte speciell skåpdesign, vilket är lämpligt för olika tillfällen för att transformera kraftmiljön .}
Produktansökan
VTZ -12 KF Fast Vacuum Circuit Breaker har många applikationer:
Ⅰ
Kraftverk
Ⅱ
Industrifält (kemisk, stål, petroleum, kol, etc .)
Ⅲ
Power Grid System och Power Infrastructure
Övergripande konturritning

Obs: vtz -12 kf snabbvakuumbrytare är anpassade produkter . Den sekundära ledningsmetoden måste bestämmas baserat på användarens driftsmiljö .}
Populära Taggar: vtz -12 kf Fast vakuumbrytare, Kina vtz -12 kf snabb vakuumbrytare tillverkare, leverantörer, fabrik
-
VS1-12 Vakuumbrytare med lateral manövreringsmekanismvisa mer> -
VS1-12 Vakuumbrytarevisa mer> -
Vs 1-24 c inomhusvakuumbrytarevisa mer> -
12kv 630a -5000 En vakuumbrytarevisa mer> -
Vs 1-12 1250 En vakuumbrytare med lateral driftsmekanismvisa mer> -
12kV vakuumbrytare med lateral driftsmekanismvisa mer>







