Produkter
ZW 32-12 M Permanent Magnetic Vacuum Circuit Breaker
2. Driftsmekanism: Permanent magnetisk driftsmekanism.
3. Installationsmetod: utomhusstöd/polmonterad installation.
4. Produktöverensstämmelse med standarder: gb/t 1984-2014, gb/t 11022-2011.
5. Produktfördelar: enkel struktur, hög tillförlitlighet, lång livslängd, avancerad kontrollteknologi, kraftfulla funktioner och låg driftskraft.
ZW 32-12 M Permanent Magnetic Vacuum Circuit Breaker är en utomhusdistributionsanordning med en nominell spänning på 12 kV och en trefas AC-frekvens på 50Hz. Det används allmänt i stads- och landsbygdsnät som en koppling eller länkbrytare, eller för utomhusstationsområden i landsbygdens kraftfördelningssystem. Den kan effektivt utföra den traditionella återloarfunktionen och kan öppna/stänga belastning och felströmmar.
Produktspecifikationer
Specifikation Sreta
|
Inga. |
Namn |
Enhet |
Data |
|
1 |
Betygsspänning |
kv |
12 |
|
2 |
Nominell frekvens |
HZ |
50 |
|
3 |
BetygCvederlag |
A |
630/1250 |
|
4 |
BetygPoenig FkravWmed en gångVoljig |
kv |
34(Våt test) / 42(Torrtest) |
|
5 |
BetygLightnyttreImpulseWmed en gångVoljig |
kv |
75 |
|
6 |
BetygShort-CorubbligBreagingCvederlag |
ka |
25/31.5 |
|
7 |
Betyg Short-CorubbligMakingCurrent (Peak) |
ka |
63/80 |
|
8 |
BetygWmed en gångCurrent (Peak) |
ka |
63/80 |
|
9 |
BetygDuration avShort-Corubblig |
s |
4 |
|
10 |
Drifts-Cycle påRförbehållenShort-CorubbligBreagingCvederlag |
Times
|
E2 |
|
11 |
MekaniskEndurance |
Times
|
60000 |
|
12 |
StandarddriftSekvens |
- |
O -0. 3S-co -180 S-Co |
|
13 |
Tillåten WöraThickness avConeract |
mm |
Mindre än eller lika med 3 |
MekaniskCharakteristik
|
Inga. |
Namn |
Enhet |
Data |
|
1 |
Avstånd mellanFlyttad och fixerad Coneract |
mm |
9±1 |
|
2 |
KontaktaÖverdriva |
mm |
2±0.5 |
|
3 |
GenomsnittCförlorandeSkissa |
m/s |
0.6±0.2 |
|
4 |
GenomsnittOpenningSkissa (AverageSkissaav första öppningenpå6mm) |
m/s |
1.0±0.2 |
|
5 |
BetygConeractTryck |
N |
2000±200N(25KA/31,5KA) |
|
6 |
Stängningstid |
MS |
30~70 |
|
7 |
Öppettid |
MS |
20~50 |
|
8 |
KontaktaBunsDuration vidCförlorandeOperation |
MS |
Mindre än eller lika med3 |
|
9 |
No-simultanitetavStängning/OpenningOperationerav 3-Phase |
MS |
Mindre än eller lika med 2 |
Produktfördelar
ZW 32-12 M Permanent Magnetic Vacuum Circuit Breaker har många fördelar:
Enkel struktur: har en nyligen utformad permanent magnetens driftsmekanism, vilket ytterligare reducerar mekaniska komponenter.
Hög tillförlitlighet: Styrenheten integrerar en "anti-pumping" -funktion, som effektivt skiljer felströmmar och stänger inrumsströmmar, vilket säkerställer exakt skydd.
Långt livslängd: Användningen av en permanent magnetens driftsmekanism förbättrar brytarens mekaniska tillförlitlighet, vilket resulterar i en betydande ökning av den övergripande mekaniska livslängden för hela enheten, inklusive båge-utvidgningskammaren, med en livslängd på upp till 60, 000 -operationer.
Avancerad kontrollteknik: Standardfunktioner inkluderar en trådlös fjärrkontroll (30M -intervall) samt manuell drift. Styrenheten är utrustad med ett standard kommunikationsgränssnitt, och med tillägg av en trådlös datakommunikationsmodul möjliggör den enkel nätverk och stöder "fyra fjärrkontroll" -funktioner (fjärrkontroll, fjärrsignalering, fjärrmätning och fjärrjustering).
Kraftfulla funktioner: Systemet kan enkelt utvidgas till att fungera som en återlosare eller sektionsförare, vilket skiljer mellan permanenta och tillfälliga fel. Dessutom kan den permanenta magnetkontrollen anpassas för att uppfylla olika nätverks-, skydds- och driftskrav som anges av kunden.
Låg driftskraft: Den permanenta magnetens driftsmekanism, i kombination med långlivsbatterier, gör det möjligt för brytaren att dra kraft direkt från CT (nuvarande transformator). Brytaren kan också uppgraderas till en återlosör eller sektionsförare, vilket avsevärt ökar nätets effektkvalitet. Med en genomsnittlig daglig belastningshastighet på 20% under 6 timmar bibehålls energibalansen mellan styrenheten och batteriet, vilket gör att brytaren kan fungera på lång sikt utan att behöva en extern kontrollkraftkälla.
Produkt
ZW 32-12 M Permanent Magnetic Vacuum Circuit Breaker har många fördelar:
1.Outdoor 35kV eller 110kV transformatorstationer, 10kV kraftöverföring och transformationslinjer.
2. Läkemedelsens nätnätsystem.
Produktkonturteckning

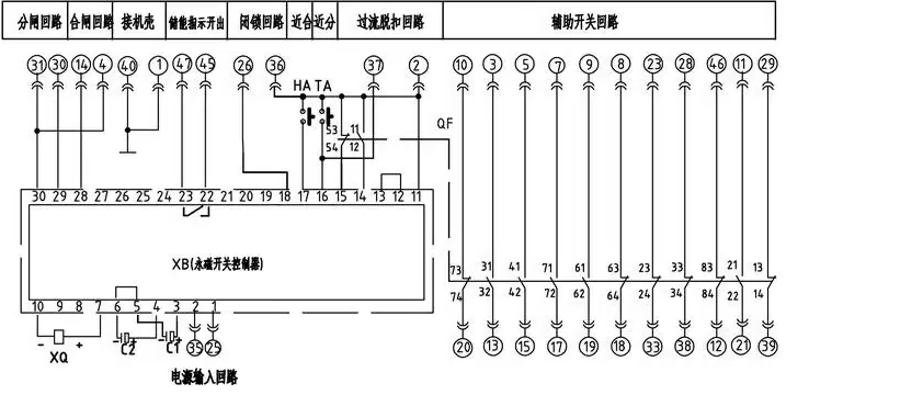
Sekundär kopplingsschema

Populära Taggar: ZW 32-12 M Permanent Magnetic Vacuum Circuit Breaker, China ZW 32-12 M Permanent Magnetic Vacuum Circuit Breaker Tillverkare, leverantörer, fabrik








